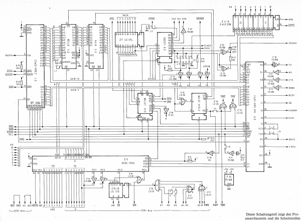
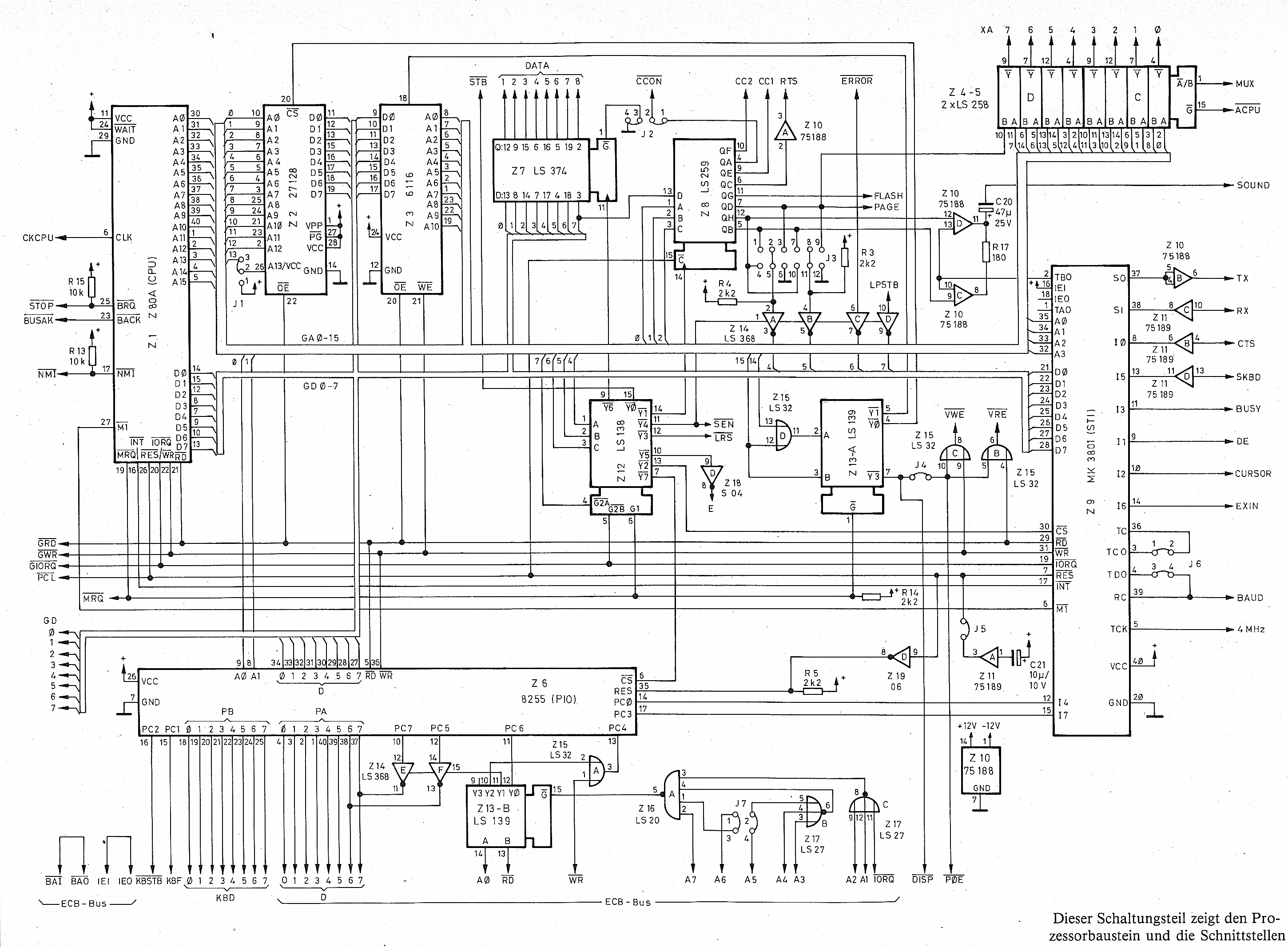
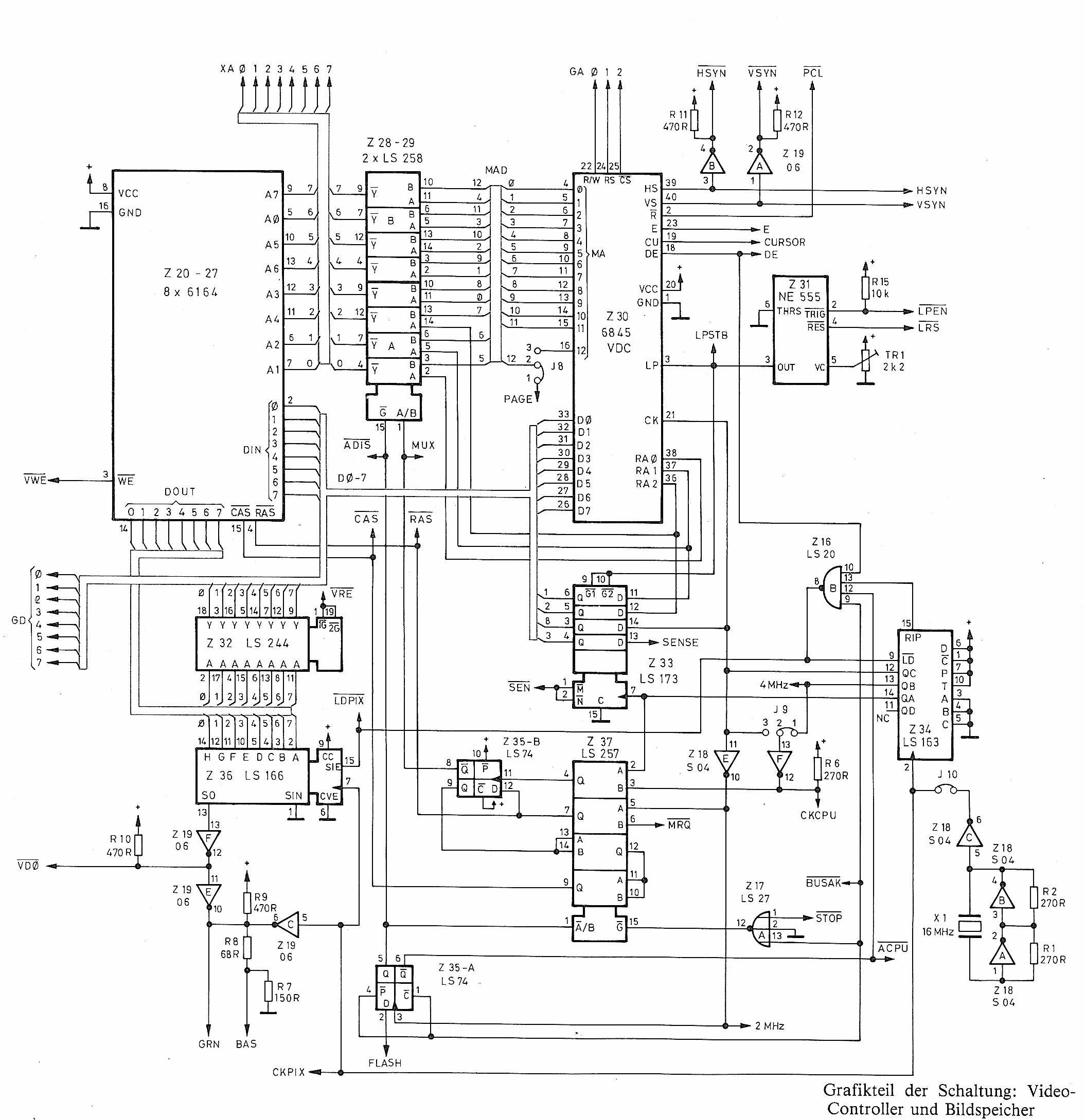
GRIP-1 - die GRafik - und InterfacePlatine
Es handelt sich hierbei um ein Grafik-Interface-Terminal für CP/M 3 Rechner
und Grafikanwendungen, das 1984 von der Firma Conitec entwickelt und vertrieben wurde.
Diese Kombination ist wie alle Baugruppen auf einer Standard-Europakarte aufgebaut.
Bezüglich Erwerb einer solchen Karte galt hier das gleiche wie bei Prof 80.
Auf der 100 x 160 mm großen Europakarte findet sich:
- eine eigene Z80A CPU
- 66 KByte RAM
- ein Grafik-Controller
- ein paralleler und serieller Tastaturanschluss
- eine Centronics-Schnittstelle
- eine V24-Schnittstelle und
- ein ECB-Bus-Anschluss
Zur Entlastung des Hostrechners übernimmt die CPU veschiedene Aufgaben wie
Drucker-Spooling und Grafik-Berechnung. Etwa 30 KByte des RAM stehen für
den Druckerspooler zur Verfügung; ein paar hundert Byte lassen sich vom
Anwender für spezielle Zwecke verwenden; Umkodetabelle, Systemparameter und
nicht zuletzt die Grafik mit einer Auflösung von 768 x 280 Bildpunkten
benötigen den Rest. Der Grafik-Controller ist ein 6845. Auf der Platine
is auch ein Lightpen-Anschluss vorhanden. Es werden serielle und parallele
Tastaturen unterstützt. Die Centronics-Schnittstelle ist unidirektional
und für den Drucker gedacht. Die V24-Schnittstelle ist von 50 bis 19200
Baud konfigurierbar und erlaubt für TX und RX unabhängig voneinander
unterschiedliche Geschwindigkeiten. Die Karte kann über die
V24-Schnittstelle oder wesentlich schneller über den ECB-Bus vom Host
(PROF80) angesprochen werden. Die Farbgrafikerweiterung Grip-Color wird
ebenfalls mit dem ECB-Bus betrieben.

Fotos:
| GRIP-1 - Bestückungsseite: |
GRIP-1 - Lötseite: |
|
|
Schaltpläne:
| GRIP-1 - Prozessor und Schnittstellen: |
GRIP-1 - Video-Controller und Speicher: |
|
|
Bestückungsplan / Handbuch:
| GRIP-1 - Bestückungsplan: |
GRIP-1 - Handbuch (PDF, 2.171 kB): |
|
|
|