Mike McBike @ Home / Vectrex / Vectrex #25


28.04.2026


{Vectrex #25 - Streifen, wohin man sieht...} Das ist ja mal ein interessantes Fehlerbild! Die Kiste läuft, Ton und Gameplay laufen wunderbar, selbst der Schalter zickt nicht rum. Aber das Bild lässt keine rechte Freude aufkommen.

Vectrex

Endlich kann man mal erahnen, welche Arbeit die Vektorgrafik so zu verrichten hat, um einen flüssigen Bewegungseindruck zu erreichen. Und nach geschriebenem Vektor kehrt der Strahl stets in die Mitte des Bildschirms zurück. Und nein, die Bildhelligkeit ist optimal eingestellt!

Vectrex

Die Texte sind speziell: hier mischen sich Rastergrafik und Vektorgrafik. Das Detail hier weist auch schon auf die Ursache des Fehlers hin: der Text ist ganz leicht lesbar - also funktioniert die Intensitätssteuerung (Kanal Z), nicht aber die Dunkeltastung (Blanking).

Vectrex

Die multiplen Umrisse sind kein Fehler des Gerätes, sondern der Belichtungszeit geschuldet!

Vectrex

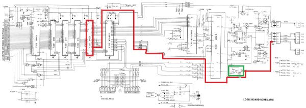
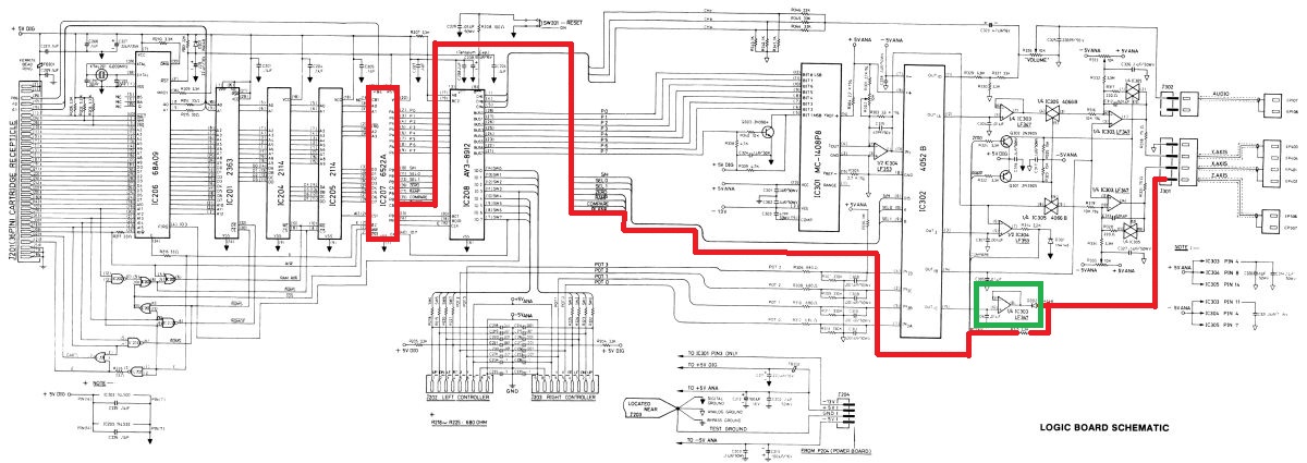
Der Spannungsfolger LF347 aka MC34004 aka TL074/84 verarbeitet das Intensitätssignal und wird ggf. vom Blanking Signal überstimmt. Blanking kommt vom 6522.

Vectrex

Der untere 14-Poler ist der OPAMP für vielerlei Signale. Während ich noch daran messe, fällt auch noch der Ton aus. Hier stirbt gerade der 6522 vollends...

Vectrex

Die Leiche:

Vectrex

Das war ja einfach! Alle relevanten Bauteile sind bei dieser Vectrex-Variante schon gesockelt...

Vectrex

Einstecken, einschalten, geht...

Vectrex

Zum Spaß hab ich mal verschiedene OPAMPs getestet, die laut TI "drop in replacement" sind. Die Ergebnisse sind interessant.

Vectrex

TL074 funktioniert, aber der Verstärkungsfaktor (so denn ein Spannungsfolger sowas überhaupt haben kann...) ist unterschiedlich, die Schrift ist gestaucht und müsste mit den Potis im Gerät nachgeregelt werden...

Vectrex

Dann nehme ich doch besser das Original und lasse alles so, wie es ursprünglich war.

Vectrex

© 2013 - 2026 · W. Robel e-Mail senden