Mike McBike @ Home / Commodore / Amiga Zubehör


16.04.2025


{Rex Datentechnik Amiga Zubehör} Wer in den 90ern einen Amiga 500 sein Eigen nennen durfte, kam zum günstigen Aufrüsten nicht an der Firma "Rex Datentechnik" vorbei. Geführt von der Familie König (daraus resultierte sicher auch der Firmenname) bot Rex in den 1980ern und 1990ern allerlei lieblos verpackte und lieblos zusammengelötete Module für C64, Amiga, Atari und PC an. Da wir damals aber fast alle nichts hatten, und am allerwenigsten Geld, waren diese Produkte genau das Richtige für den ambitionierten Computerbastler. Dank einer sehr freundlichen Spende kann ich euch heute diese Schätze vorstellen.


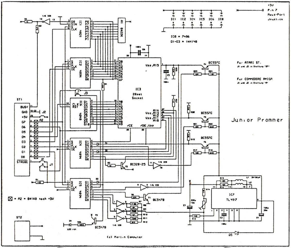
{REX 9203 - EPROMMER Quickbyte V (DM 189,-)} Eins zu eins vom Atari ST - Junior Prommer von Maxon abgekupfert. Von Maxon stammt auch der Schaltplan... Irgendwie dreist, aber vielleicht hatten die beiden Firmen auch eine interne Absprache.

Amiga

Amiga

Amiga

Amiga


{REX 9204 - Amiga EPROM-Karte 1MB (DM 159,-)} Programmspeicher, RAM-Floppy - Speicherplatz satt. Zumindest für damalige Verhältnisse.

Amiga

Amiga

Amiga


{REX 9209 - Amiga DMA-Winkeladapter (DM 35,00)} Die einfache Variante, um an den Amiga-Port heranzukommen. Eigentlich ein Portadapter mit zusätzlicher Buchse und Platinenstreifen.

Amiga

Amiga

Amiga


{REX 9218 - Amiga DMA-Portexpander (DM 139,00)} Die aufwändige Variante, um an den Amiga-Port heranzukommen.

Amiga

Amiga


© 2013 - 2026 · W. Robel e-Mail senden