Mike McBike @ Home / Arcade Reps Teil 8 / Asteroids


24.09.2025


{Asteroids im Doppelpack} Asteroids ist ein tolles Arcadespiel! Vektorgrafik, kaum Custom-Chips und sehr übersichtlich aufgebaut. Denkt man. Und wenn man dann zwei Platinen zur Reparatur bekommt, könnte man sich in der trügerischen Sicherheit wähnen, irgendwas zum Vergleichen zu haben. Die Wahrheit ist: ich kenne kaum ein Spiel, was sich so übel reparieren lässt, wie Asteroids. Missile Command vielleicht, oder Centipede. Ich erkenne ein Muster: Atari und alt - eine schlechte Mischung.

Asteroids

Platine 1:

Asteroids

Die RAMs hat schon mal wer getauscht...

Asteroids

Die auch. Dann liegt es vermutlich nicht an den RAMs, wenn hier gar nichts geht.

Asteroids

Platine 2:

Asteroids

Hier gibt es keine Sockel, aber dafür ein Kreuz auf dem RAM.

Asteroids

Die Bustreiber sind neu.

Asteroids

Die hier auch, hat aber wohl nicht geholfen...

Asteroids

Auch hier ist schon einiges gemacht worden - wer weiß, ob es danach besser oder schlechter geworden ist. Manchmal sind auch Reparaturen daran schuld, wenn nichts mehr geht.

Asteroids

Diese CPU taktet immerhin, aber recht eintönig.

Asteroids

Dazwischen legt sie sich mal schlafen, bis der WDT klingelt...

Asteroids

Der 157er war auffällig aber leider nicht die Ursache.

Asteroids

Ich habe endlich meinen Hilfstrafo gefunden. Die 2x18V benötigt man für die Vektorendstufen.

Asteroids

Rustikal aber praktisch!

Asteroids

Wir haben ein Bild - leider ohne sinnvollen Inhalt. Pieptöne gibt es auch nicht, eine Diagnose ist schwer zu geben.

Asteroids

Manchmal ändert sich das Bild auch - ich werde mal alle verbliebenen 2114 tauschen, es scheint, als ob der Programmablauf gestört ist.

Asteroids

Wenn beide Platinen nicht laufen, ist ein Vergleich schwierig. Ich bin gespannt!

28.09.2025


{Und es geht weiter!} Die Asteroids mit Funktion: immerhin funktioniert der NMI. Aber der ist auch Hardware-generiert. Ein geduldiger 4ms-Takt zum Bildaufbau.

Asteroids

Die Asteroids ohne Funktion: Upps. Mein Fehler. Aber mit einem neuen 2114 läuft es genausowenig...

Asteroids

Dafür meldet sich Kandidat 1 akustisch. Nachdem ich das Board mal komplett mit Lautsprecher verkabelt habe (immer eine gute Idee, die Asteroids sind akustisch mitteilungsfreudig, wenn sie mal anlaufen...) bekomme ich im Testmodus 4 höhere und einen tiefen Piepston. Das ist RAM N4. Das war übrigens auch der Baustein mit einem Kreuz drauf...

Asteroids

Das RAM ist schnell getauscht. Die Asteroids sind mit dem richtigen Werkzeug sehr gut auszulöten.

Asteroids

Das Programm startet ohne Fehler-Piep. Die RAMs scheinen in Ordnung zu sein. Wir haben ein statisches stabiles Bild. Im Testmodus kann man das Umlegen der DIP-Schalter jetzt optisch verfolgen.

Asteroids

Außerhalb des Testmodus geht es immer noch nicht gut. Der Watchdog schlägt zu und das ist das Unangenehme bei Asteroids. Jeder Fehler im Vektor-Generator führt zum Programmabbruch und damit zum Watchdog. Gut, dass man den einfach stillegen kann.

Asteroids

Jetzt bleibt erst mal Fehlersuche nach schlechten Pegeln. Nach einer Viertelstunde habe ich etwas gefunden. DVY5 sieht gar nicht gut aus!

Asteroids

Ein 74191 ist mit 10 Ohm eingangsseitig viel zu niederohmig. Viele Kiloohm wären hier zu erwarten gewesen.

Asteroids

Der Baustein ist getauscht, der Widerstand von DVY5 gegen Masse steigt auf 40 Ohm - "Not great, not terrible!". Da ist noch mehr defekt.

Asteroids

An der Leitung hängt einiges drann, ich werde alle Teilnehmer ansehen müssen.

Asteroids

Immerhin haben wir jetzt schon ein Bild, was fast nach Gameplay aussieht!

Asteroids

Der Pegel hat es ja auch schon fast geschafft...

Asteroids

Mich würde mal interessieren, woher dieser Schaden kommt, der diverse IC-Eingänge hat durchlegieren lassen... Kurzschluss? Überspannung? Jetzt muss ich erst mal 7497 bestellen, den habe ich nicht im Lager - braucht man so gut wie nie! Außer bei Asteroids...

08.10.2025


{Und es geht noch weiter!} Die Spezialbauteile sind da!

Asteroids

7497 ersetzt - die Pegel sehen gut aus! Plötzlich sieht auch das Vektorbild interessanter aus, auch wenn noch nichts richtig läuft...

Asteroids

Zumindest wird hier mal was berechnet und dargestellt:

Asteroids

Das Vector-Generator-ROM hat anormale Pegel auf den Datenleitungen.

Asteroids

Da stimmt was nicht:

Asteroids

Ich tausche den alten Bustreiber...

Asteroids

Hier hat man daran gedacht, zwei verschiedene Typen einsetzen zu können.

Asteroids

Ich wähle den modernen 74LS245.

Asteroids

Hat leider nicht geholfen. Das ROM funktioniert. Die 2114 ersetze ich jetzt alle.

Asteroids

Wow! Der Test-Screen läuft plötzlich einwandfrei. Aber hier werden auch keine Anforderungen an den Vector-Generator gestellt...

Asteroids

Präventiv tausche ich (erfolglos) den letzten Uralt-Bustreiber.

Asteroids

Auch gegen einen aktuellen Typen. Hilft nicht.

Asteroids

Aus den 16-Bit Register-RAMs kommt teilweise nichts raus. Ich tausche zwei Bausteine.

Asteroids

Während ich mich noch freue, stirbt einer der Bustreiber... Ich werde noch irre. War ja klar, Signetics SA.

Asteroids

Aber nachdem der auch ersetzt ist, erwartet mich ein überraschendes Vector-Bild.

Asteroids

Leider spinnt immer noch irgendwas im Vector-Generator-Teil - es gibt Artefakte und das Programm stürzt regelmäßig ab. Aber die Programmausführung läuft, der Vector-Generator zeichnet und der Testbildschirm meldet keine Fehler.

Asteroids

Ich bin gespannt, ob ich die Ursache noch finde, bevor wieder irgendein Baustein stirbt...

13.01.2026


{Und ich krieg sie doch!} Warum funktioniert der Vektorgenerator nicht richtig? Stimmt vielleicht doch was mit den Registern nicht? Die ursprünglich verbauten 74LS170 sind Open Collector Typen, daher auch die Pull-Ups. 74LS670 sind 3-State Typen. Ich entferne vorsichtshalber mal die Pull-Ups.

Asteroids

Sieht sauber aus, hat aber nichts genützt.

Asteroids

Vielleicht hat das Vector-ROM einen Schuss? 2716 ist ein 1:1-Ersatz. Keine Änderung im Verhalten.

Asteroids

Es sind keine Bausteine mehr übrig, die ein anormales Verhalten an den Ausgängen zeigen. Multiplexer haben allerdings manchmal die Eigenschaft, funktionsfähige Ausgänge, aber defekte interne Umschalter zu haben. Das sieht man mit dem Oszi nicht. Ein huckepack aufgesteckter Zweitbaustein zeigt dann allerdings Zwischenpegel, wenn die beiden Ausgänge mit widersprüchlichen Pegeln kämpfen. Das hat mich auf einen defekten 74LS157 gebracht.

Asteroids

Hab dich, du Mistkerl!

Asteroids

Platine 1 kann starten.

Asteroids

Jetzt zu Platine 2: die CPU macht ein wenig und verwickelt sich dann in den Watchdog. Alle Messungen weisen darauf hin, dass der Vektorgenerator überhaupt nicht läuft. Die Datenbustreiber sehen nicht gut aus. Ich tausche sie alle.

Asteroids

Meine neue Pace Lötstation macht mir die Arbeit leichter...

Asteroids

Der Tausch war dringend geboten...

Asteroids

Da nehme ich doch gleich die guten 54LS... die mit dem erweiterten Temperaturbereich.

Asteroids

Das Ergebnis ist ernüchternd. Die CPU macht den Selbsttest und springt dann in eine Endlosschleife, weil der Vektorgenerator nicht läuft. Hier hilft mir hoffentlich die genaue Analyse mit dem Logikanalysator.

02.04.2026


{Boot Up im Detail} Die Komplexität der Fehlersuche an Platine #2 hat mittlerweile das Terrain der Vernunft verlassen. Nein, es "lohnt" sich nicht, nein, das kann man nicht bezahlen, ja, ich will es wissen! Und so stelle ich mit dem Oszi fest, dass die komplette Vector State Machine komplett tot ist. Das liegt offensichtlich daran, dass das Signal "DMAGO#" niemals aktiv wird, der Vektorgenerator startet einfach nicht.

Asteroids

Immerhin ist die Dokumentation der Asteroids nahezu lückenlos. DMAGO# wird durch einen Zugriff auf Adresse 0x3000 ausgelöst. Warum das Programm da wohl nicht vorbeikommt, kann mir nur der Logikanalysator zeigen.

Asteroids

Doch zuvor sehen wir uns mal den Source Code der Asteroids genau an: beim Einschalten springt jede 6502 zuerst mal zum Reset-Vektor @0xFFFC - Adressbit 15 ist hier nicht benutzt, also ist 0x7FFC gleichbedeutend.

Asteroids

Der Vektor zeigt auf die Einsprungadresse 0x7CF3. Da geht es dann los mit Stack Pointer setzen, RAM löschen, Selbsttestschalter abfragen und dann in die eigentliche Spielinitialisierung...

Asteroids

"InitGame" @0x6803 fackelt nicht lange und setzt bei 0x6822 DmaGo. Was bei dieser Platine hier nicht passiert. Warum?

Asteroids

Jetzt kommt der Logikanalysator ins Spiel: getriggert auf Reset# kann ich damit den kompletten Aufstart aufnehmen und analysieren. 4250µs nach der Reset-Flanke ist die CPU mit dem Löschen des RAMs fertig (256 x vier Schreibzugriffe, RamClearLoop@0x7CFA) - um dann illegaler Weise in den Selbsttest mit jeweils 8 Schreibzugriffen zu springen...

Asteroids

Im Detail sieht man, dass die 6502 nach dem Löschen ordnungsgemäß den Zustand des Selbsttesteingangs abfragt (0x2007) und dort knallharte 0xFF liest, obwohl der Eingang nicht aktiv ist. Das sollte so nicht sein, die Spielinitialisierung und damit der Start des Vector-Generators wird so nie ausgelöst.

Asteroids

Der Selbsttest liegt an einem Multiplexer 74LS251 an, der je nach Adresse 0...7 die Eingänge auf Datenbit 7 mappt. Das ist pfiffig, weil somit der Zustand dieses Eingangs über ein einfaches BMI (Branch if Minus) abgefragt werden kann.

Asteroids

Wenn man da bei Adresse 7 nur 0xFF liest, ist der Kollege schlicht kaputt... Nebenbei: diese rostanfälligen TI-TTLs verlieren auch öfter mal ihre Beinchen, einfach abkorrodiert!

Asteroids

74LS251 ist einer der wenigen TTLs, die ich nicht auf Lager habe. Die Bestellung ist raus.

15.04.2026


{Die Suche hat sich gelohnt!} Nach nur zwei Wochen Lieferzeit sind endlich die 74LS151 bei mir eingetrudelt. Vermutlich wurden sie von einem berittenen Boten geliefert.

Asteroids

Mittlerweile habe ich echt Routine beim Austausch von TTL-ICs - und mit der richtigen Lötstation macht das sogar Spaß.

Asteroids

Ich lasse die Platine mit Watchdog laufen. Nur so wiederholt sie den Startablauf zyklisch. Wir haben einen DMAGO!

Asteroids

Der Vektorgenerator zuckt so vor sich hin, kommt aber nicht zum STOP - die drei Zähler für den Vektor-Timer liefern widersprüchliche Pegel.

Asteroids

Da sind wohl manche Ausgänge tot...

Asteroids

Das ist die berüchtigte Signetics SA-Pest. Diese Bauteilserie sollte man einfach komplett tauschen.

Asteroids

Von drei Zählern waren drei defekt. Der Vektor-Timer läuft jetzt wieder einen kompletten Start-Stop-Zyklus durch.

Asteroids

Zum ersten Mal seit Ewigkeiten liefert die Platine wieder Analogsignale. Das ist besser, als es auf den ersten Blick aussieht - jetzt kann ich zielgerichtet messen.

Asteroids

Auf der Platine sind noch ganz viele 74LS191 im Vektorgeneratorbereich - davon sind einige deutlich defekt, jetzt gehen mir aber die 74LS191 aus... Nachschub ist schon bestellt. Hoffentlich geht es diesmal etwas schneller! Der Vektorgenerator ist ein technisches Wunderwerk! Er ist eigentlich ein Prozessor für sich selbst. Die vielen Zähler bilden zusammen mit dem Vektor-ROM eine State-Machine, die selbständig die Vektoren auf den Schirm zeichnet. Die CPU schreibt nur die gewünschten Elemente mit Position und Skalierfaktor in das Vektor-RAM und triggert DMAGO. Dann arbeitet die State-Machine alle Zeichenoperationen ab, bis im RAM nichts mehr zu tun ist und meldet Vollzug. Das ist einfach genial. Dumm für den Reparateur: wenn in diesem Konstrukt irgendwo eine Kleinigkeit nicht funktioniert, bricht einfach alles zusammen...

19.04.2026


{Es geht mühsam aber erfolgreich weiter!} So eine langwierige Reparatur hatte ich schon lange nicht mehr. Dafür ist das Gefühl, es geschafft zu haben, unbezahlbar. Aber erst einmal der Reihe nach.

Asteroids

Die Signetics SA 74LS191 erkennt man ganz gut an ihren tauben Ausgängen. Jetzt, wo der Vector Generator läuft, ist das gut zu diagnostizieren.

Asteroids

In dem Zusammenhang fallen mir drei von vier 7497 Rate Multiplier auf, die ebenfalls tot am Ausgang sind. Auch ein Baustein, der sonst nie eingesetzt wird - Bestellware!

Asteroids

Im Nachhinein stellt man fest, das im Bereich der Positionszähler nicht mehr wirklich viel funktioniert hat... Da war noch ein toter 74LS191...

Asteroids

Das Entlöten macht immer noch Spaß.

Asteroids

Und nach ein paar Tagen ist Ersatz da: jetzt kann wieder "multipliziert" werden.

Asteroids

Das Ergebnis ist grandios, obwohl es nicht so aussieht: der Vector Generator läuft, der Watchdog schlägt nicht mehr an. Man kann in dem Gekrakel oben ein "PUSH START" erahnen. Die horizontale Breite lässt noch Wünsche offen.

Asteroids

Da war noch ein Zähler...

Asteroids

Das Format stimmt, die Asteroiden bewegen sich, das Bild ist stabil. Aber irgendwas stimmt noch nicht...

Asteroids

Der Ausgang des D/A-Wandlers (gelb) entspricht nicht dem Ausgang der Endstufe (lila).

Asteroids

So sieht das bei einer funktionstüchtigen Asteroids aus:

Asteroids

Beide Operationsverstärker sind tot.

Asteroids

Mit Ersatz sieht das doch gleich viel besser aus!

Asteroids

Da entferne ich doch gleich den provisorischen Sockel...

Asteroids

Die Leichen hier sind nur der Teil, der aus dem Vector Generator stammt...

Asteroids

Der Testbildschirm ist nicht ganz gerade, aber hey... wir haben ein Bild.

Asteroids

Und die Geschichte ist noch nicht fertig - der Audiotest liefert ein penetrantes Pfeifen. Ursache: der UFO-Sound ist dauerhaft aktiviert. Hoffentlich ist es der Analogschalter, der LM566 VCO ist nämlich extrem schwer zu beschaffen...

27.04.2026


{Ein erfolgreiches Ende!} Ich weiß ja nicht, was der Vorbesitzer mit dieser Platine gemacht hat, aber die Audio-Sektion ist genau so marode, wie der Rest des Spieles. In diesem Bereich ist fast alles zu sehen, was der Tonerzeugung dient. Jeder Soundeffekt hat seine eigenen Analog-Bausteine. Alle Operationsverstärker sind defekt, ebenso einige der Analogschalter. Und die NE555 wollen auch nicht alle...

Asteroids

Die NE555 sind etwas rostig.

Asteroids

Auch wenn manche noch funktioniert haben - die müssen alle raus!

Asteroids

Vier Stück NE555 und zwei Sockel für die LM566 VCOs.

Asteroids

Gut, wenn man eine Vergleichsplatine da hat. Leider ist der NE566 aka LM566 tatsächlich defekt. Deswegen macht die fliegende Untertasse keinen Mucks.

Asteroids

Einmal quer getauscht funktioniert alles.

Asteroids

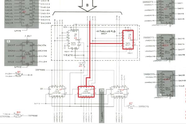
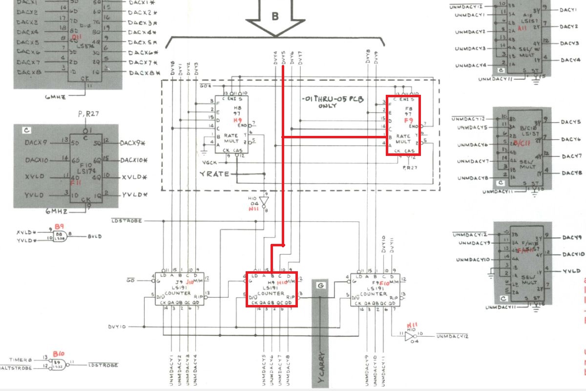
Nur mal so zur Übersicht: die rot markierten Bauteile sind ausgelötet, getestet und in den meisten Fällen ersetzt worden. Und nein, lohnend im wirtschaftlichen Sinne ist das nicht. Und ja: ich bin glücklich, dass ich die Asteroids wieder zum Leben erwecken konnte.

Asteroids

Der NE566 ist gekommen. Das Mistding ist nicht unter 11 Euro incl. Porto zu bekommen. Viel Geld für einen einzigen Soundeffekt.

Asteroids

Die haben sich damals viel Mühe mit ihren Transportverpackungen gemacht...

Asteroids

Das war der letzte Schritt bei der Wiederbelebung der zweiten Asteroids.

Asteroids

Hier die Platine 1 in hoher Auflösung:

Asteroids

Und die Platine 2, ebenfalls HiRes...

Asteroids

Eine lange Reise geht zu Ende - fast möchte man wehmütig werden. Aber ich bin mir sicher: es warten noch viele Arcade-Leichen auf mich.


© 2013 - 2026 · W. Robel e-Mail senden